Keksdose - oder wie und wieso man einen kleinen Röhrenverstärker baut
Keksdose
oder
Wie und wieso man einen kleinen
Röhrenverstärker baut



Nikko STA-5050 Frage: Was soll der Blödsinn eigentlich ?

Gute Frage. Muß ich auch passen.
Begonnen hat alles mit der relativ simplen Feststellung, daß ein 1973er Nikko STA-5050 Receiver als reine Wiedergabeanlage für MP3 Musik vom Computer zusammen mit zwei Arcus Sinus Zweiwegeboxen auf dem Tisch ganz schön viel Platz wegnimmt. Naja, Boxen muß man haben, ohne die geht's halt nicht. Aber dieser 30-Pfünder mit 40 x 30 x 15 cm Außengehäuse-Abmessungen ist schon ein nettes Trümmerstück.

Was tun ?

Simple Antwort: da unter dem Tisch auch kein Platz mehr ist, zusätzliche Regale sich aus anderen Gründen verbieten, muß halt etwas physisch kleineres her.

Den Nikko hochkant stellen ? Haha. Laß' uns mal ernst bleiben, ja ?
Mini-Anlage ? Nö. Muß man erst kaufen und wofür, wenn man nur den Verstärker braucht ?
Aktivboxen ? Muß man ggf. auch erst anschaffen und diese PC-Speaker sind pathetisch-lächerlich und klingen meistens echt Scheiße. "100W PMPO" - von einem 12-Watt-Steckernetzteil befeuert. Argh - ich muß kotzen !

Ich wollte - und brauchte - eigentlich nur einen reinen Verstärker. Der notfalls oben auf die eine Box paßt. Beim Kramen im Internet stieß ich irgendwann bei Ebay auf eine Auktion, bei der ein Trafo, ein Stereo-Ausgangsübertrager und ein paar Röhrensockel angeboten wurden. Eigentlich wollte ich ja immer schon mal wieder eine Röhren-Endstufe bauen. Eigentlich.
Also habe ich das Zeug ersteigert. (Mit Glück !)

Nächste 'Kram-Orgie': welche Röhren habe ich und was kann ich damit anstellen ?

Die Trafos deuten in die Richtung 2 x EL84 oder EL95. Plus etwas Vorstufenkrempel und Eintakt-Schaltung. Also nix Gegentakt und Wattleistung über 5 Watt pro Kanal. Etwas weiter unten in meinen Röhrenkartons fanden sich zwei bildhübsche ECL86 an. Bißchen verbogene Pins, und eine von Valvo und eine Siemens.
Die ECL86 sind Vorstufen-Triode und Endstufen Pentode in einem Gehäuse.
Also ideal für das, was ich vorhabe.


Richtig spannend wurde es, als die Teile eintrafen. Der Trafo gibt etwa 170 V und 12.5V AC ab ... nach Abzug aller Unkosten und nach Gleichrichtung und Siebung sollten damit etwa 230 V Anodenspannung vor dem Übertrager machbar sein. Irritiert hat mich nur die einzelne 12 V Heizungswicklung. Damit müßte man zwei ECL86 in Reihe schalten, obwohl die für 6.3 V Parallelspeisung gedacht sind. Na, wollen wir mal nicht kleinlich sein. Gehen werden sie deswegen trotzdem.

Erstmal einen Prototypen zusammenhacken, um einen Eindruck zu bekommen. Fangen wir mit dem Netzteil an, das ist schon die halbe Miete und man hat eine solide Basis. Eine halbe Stunde später habe ich zum ersten Mal aus dem Netzteil einen getickt gekriegt.
Für die "Low Voltage Frickler", die immer nur mit 5 und 12 Volt hantieren, sei hier noch mal angemerkt: 230 V Gleichspannung aus einem Röhrennetzteil sind kein Pappenstiel.
Das haut ordentlich rein und tut dementsprechend weh.

Also: Obacht geben ! Wirklich jetzt. Kein Scheiß.

(Aber auch 12 V können tödlich sein: wenn einem eine Auto-Batterie auf die Rübe fällt ...)

Einfaches Netzteil - schnell zusammengeklebt
Wie sieht das Netzteil nun aus ? Na - das ist kein Hexenwerk. Veritable Neu-Teile dafür gibt es - mit Ausnahme des Netztrafos selber - zum Beispiel bei Reichelt Elektronik.
Andererseits haben die meisten Selber-Macher auch reichlich "Schlachtware" zur Verfügung. Hier ist schonmal das Schaltbild:

Da haben wir in der Mitte den Trafo. Den zu kriegen dürfte am schwierigsten sein. Er muß bei 170 V mindestens ... na ... sagen wir mal 100 mA abgeben. Das ist vielleicht ein bißchen dünn, geht aber noch. Mehr dazu später. Links sieht man einen doppelpoligen Einschalter hinter einer Sicherung.
Ein einpoliger geht natürlich auch und die Sicherung ist eh' nur Luxus ... aber wenn man einem lieben Freund (oder sich selber !) nach einem Elektroschock Flügel anschraubt oder einem wegen solchem Scheiß die Bude abbrennt, ist die Heulerei nachher um so größer. Also: doppelpolig und mit Sicherung. Kein falscher Geiz.

Rechts vom Trafo hockt oben der Gleichrichter, den ich ganz konventionell aus vier 1N4007 Dioden aufgebaut habe. Die vertragen 1000 Volt auf den Kopp und sind bis 1 Ampere Strom belastbar. Brauchen wir zwar nicht, aber dafür sind die Teile auch preiswert. Wer dauernd mit den Richtungen verkommt und es aufgegeben hat, sowas aus Einzeldioden aufzubauen, dem sei es unbenommen, dafür einen 4-Beiner B500 C500 oder C1000 oder sonstwas einzubauen. Wichtig ist, daß das Teil (2 x 170V) * SQR 2 = ca. 480 V abkann und mindestens 500 mA Strom - wegen des Einschalt-Stromstoßes, den die Filter-Kondensatoren verursachen.
Die Filter- oder Sieb-Elkos sind die beiden 100 µF / 385V rechts neben dem Gleichrichter. Die sind mit einem 100 nF / 500V Keramik- oder Polypropylen Kondensator parallelgeschaltet. Das soll die Störungen im Hochfrequenzbereich abblocken. Der 100 K / 1 Watt parallel zu dem ganzen Kondensator-Gerümpel dient dazu, die Dinger schneller zu entladen, wenn man das Netzteil abschaltet. Sonst kriegt man unter Umständen eine Woche später noch eine gebretzelt, wenn man die Finger in die Kiste steckt.
Bei einigen Leuten ist das vielleicht nützlich - aber das kann auch böse enden. Also: Entladewiderstand drüber.

Das hier ist die Minimalversion. Damit wird der Verstärker nachher zu einem kleinen 'Brummbären', weil die Siebung nicht optimal ist. In der 'Luxusversion' hängt man je einen 1 nF / 1200 V Kondensator (Folie oder Keramik) über jede Diode, eine 10 H Drossel (Ja: richtig gelesen: Zehn Henry !) in den +230V Kreis, ersatzweise einen 47 Ohm / 10 Watt Widerstand, wenn es der Trafo hergibt, dahinter nochmal einen 22 µF / 385 V Elko oder baut sich irgendwas abenteuerliches mit einer aktiven Regelung.

Das habe ich mir wohlweislich erstmal verkniffen. Ich will keinen Super-Hifi-Verstärker "Um Jeden Preis", sondern eine kleine Krachbüchse, die in brauchbarer Qualität an zwei halbwegs wirkungsgradstarken Boxen MP3s vom Computer via Soundkarte wiedergibt. Daher verschieben wir das ganze Feintuning und die Verbesserungen auf später. Billig soll es ja auch sein.
Die ganz sparsamen verzichten auch auf das "Entbrummer" Poti im Heizkreis, ersetzen es durch zwei 100 Ohm / 1 Watt Widerstände mit der Mitte auf Masse oder legen einfach einen Draht von der Heizungswicklung fest gegen Masse. In der Praxis macht das keinen so großen Unterschied. Nicht bei den Lautstärken und Ausgangsleistungen, die wir hier im Sinn haben.
Hauptsache, die Heizleitungen haben einen ordentlichen Querschnitt - 0.5 mm² sollten reichen - und sind gegeneinander verdrillt.

Aber gucken wir mal weiter.


Schaltbild - Anklicken für Vollbild

Die Profis werden jetzt sagen: "Ach ja - klar." und die weniger vorgebildeten kratzen sich am Kopf und denken 'Nu isser völlig bekloppt geworden.'. Schaltbild angeklickt ? Mal reingeguckt ? Ja - und alles verstanden ?
Nee, nicht ?

Macht nichts. Ich erklär's.
Fangen wir vorne an. Die Kathode der Triode auf Masse legen und mit einem sagenhaften 10 Mega-Ohm Widerstand die Gitter-Vorspannung herstellen, nennt man "Zero Bias Grounded Cathode" oder "Grid Leak Bias" oder "Grid Current Bias". Das spart Bauteile, und vergrößert die Vorverstärkung und macht die Schaltung - theoretisch - weniger brumm-empfindlich. Allerdings ist der Eingangsstrom nur durch den Gitter- Eingangswiderstand bestimmt und der Anodenstrom läßt sich kaum einstellen. Eigentlich gar nicht, aber wir nehmen das mal hin und denken uns nix böses dabei: der Onkel weiß schon, was er tut. Meistens.

Die vorgeschalteten Bauteile habe ich experimentell ermittelt. Ganz ehrlich. Ich mußte den Verstärker-Eingang an eine Soundkarte anpassen, die dafür ausgelegt ist, kleine "Brüllwürfel" Lautsprecherboxen oder Kopfhörer direkt anzutreiben. Also muß ich mit dem 1 K Widerstand erstmal die Eingangsspannung rapide runterdrücken. Der 100 nF Kondensator entkoppelt den Eingang der Triode gleichsspannungsseitig. Ein 10 nF hätte es auch getan. Theoretisch liege ich hier bei einer unteren Grenzfrequenz von unter 10 Hz, aber von den 100 nF habe ich einen ganzen Sack voll. Also rein damit.

Die beiden Kondensatoren oberhalb der Triode, der 2K2 / 2 Watt und der 220 K Widerstand legen den Anodenstrom der Triode fest, der so bei ca. 0.48 mA liegt. Die Kondensatoren zusammen mit dem 2K2 sind nur Filter und stabilisieren die Spannung vor dem Anoden-Vorwiderstand von 220 K. Dann brummt es da schon mal weniger.
Von der Anode gehen wir wieder mit einem 100 nF auf einen 680 K Widerstand. Das Datenblatt empfiehlt es sogar für diesen Fall. Die Grundverstärkung der Triode sinkt etwas und die Ausgangspentode wird nicht so schnell übersteuert. Ein 1 K Widerstand dient zur Begrenzung des Gitter-Eingangsstroms.
Der 4M7 Widerstand von der Anode der Pentode zurück zur Anode der Triode ist eine nicht frequenzabhängige Gegenkopplung. Es gibt keine Gegenkopplung von der Sekundärseite des Ausgangs-Übertragers zurück zum Eingang. Das habe ich mir geschenkt, weil es den Klang versaut und mit dieser Eingangsschaltung auch nur schwer zu machen ist. Mit der Version 1.1F gibt es zumindest die Möglichkeit einen Feedback-Zweig zu integrieren. Meine Experimente haben allerdings bisher noch keine besonders brauchbaren Ergebnisse gehabt. Da werde ich noch eine Menge ausprobieren müssen. (Oder es sein lassen ...)
Die Leerlauf-Verstärkung der Triodenstufe müßte so um 65 herum liegen.

Wenn der AÜ kein "Ultra-Linear" Typ ist, der eine Anzapfung für das Schirmgitter (Gitter 2) der Pentode hat, müssen wir das anders lösen. Von der gesiebten Anodengleichspannung für die Triode zapfen wir uns nochmal 4 mA für das Gitter 2 ab. Das sorgt für ausreichende Stabilität und gleichbleibende Verstärkung.
In diesem Fall verwenden wir die Schaltung, wie sie mit "G2 Fixed Mode" eingezeichnet ist. Inzwischen bin ich an ein Paar AÜs gekommen, die bei 7K Gesamt-Impedanz noch eine Abzapfung bei 1K6 (und bei 3K3) haben. Es bot sich an, das Gitter 2 an die 1K6 Anzapfung zu legen und die Ausgangspentode im "richtigen" Ultralinear-Betrieb zu fahren. Mit der Version 1.1F habe ich sowas zumindest vorgesehen. Mehr dazu später.
Die Anode der Pentode hängt gewohnheitsmäßig am 'unteren' Ende des Ausgangs-Übertragers, der 2200 pF / 1000 V Kondensator schließt hochfrequente Schwingungen kurz. Man kann den haben, muß man aber nicht. Ich habe auch davon einen Beutel voll ... es tut auch irgendwas in der Größenordnung 330 pF - 3n3F, vorausgesetzt, die Spannungsfestigkeit beträgt 600 V.

So, bis dahin ist alles "Klassische Röhrentechnik". Aber dann kommt was unerwartetes.

Normalerweise reicht unterhalb der Pentode ein 180 Ohm / 1 Watt Widerstand als Kathoden-Widerstand, der mit einem ausreichend großen Kondensator wechselspannungsseitig überbrückt wird. Die Spannung zwischen Kathode und Masse wird so ungefähr 7 - 8 Volt betragen, wahrscheinlich aber nicht über 12 V steigen, also tut es dort etwas aus der normalen Transistorradio-Ecke. Vielleicht sollte es ein 105 °C Typ sein, weil es in einem Röhrenverstärker schon mal etwas wärmer wird.

Jetzt sitzt da aber ein IC-Spannungsregler - mit ein wenig Kleinschrott drumherum und einem Poti obendrein.
Der Hintergrund dieser Anordnung ist der, daß die meisten Röhren, die man so aus der Grabbelkiste ziehen wird, schon ziemlich "auf" sind. Zumindest ist die Wahrscheinlichkeit hoch, daß zwei wahllos herausgegriffene Röhren ungleiche Werte liefern. Also muß man sie einstellen können. Ein dicker Trimmer mit 220 Ohm tut's auch. Klar. Nur beim Röhrenwechsel geht der Einstell-Streß jedesmal von vorne los.
Diese Schaltung ist eine Konstantstromquelle, die über das Verhältnis von Ureg zu dem Gesamtwert der Widerstände hinter dem Regler eingestellt wird. In dieser Auslegung beträgt die Ausgangsspannung des Reglers etwa 2.5 Volt. Welchen Regler man hier verwendet, richtet sich nach der Röhre. Die EL84 zum Beispiel gehen normalerweise ganz gut mit dem 7805 - Allerdings arbeitet der bei ECL86 / PCL86 am unteren Ende seiner Möglichkeiten, weil ein 5V-Regler etwa 3 Volt Überschußspannung braucht. Die hat es bei den Röhren aber nicht. Also habe ich den LM317 genommen bzw. einen "Low Drop" Regler vom Typ LT1084. Die Ausgangsspannung ist mit den 100 Ohm Widerständen auf etwa 2.5V eingestellt, so daß sich mit einigermaßen üblichen "Normwerten" für Regler und Begrenzungswiderstände ein brauchbarer Regelbereich ergibt. In diesem Fall etwa 22 bis 45mA. Wenn man R13 (270 Ohm) wegläßt, ergibt sich ein Regelbereich von 14.5 - 45mA. 12.5 mA fließen immer durch die beiden Widerstände R1 und R2. Bei Bedarf könnte man die auf 2 x 120 Ohm anheben (für 10mA "Grund-Strom"), aber nicht höher. Diese Regeler sollten immer mindestens 10mA zum Ausregeln haben. Mit R12 wird der Maximalstrom "außenrum" festgelegt. Der 10µF Kondensator C7 ist bei diesem Reglertyp ein Muß !

Die Ausgangsspannung des Reglers wird nach dieser Formel bestimmt:

Uout = 1.25 * (1 + (R2 / R1))

Der Widerstandswert des gesamten Lastwiderstand-Netzwerks (R1, R2, R12, R13 und P1) variiert -rechnerisch- zwischen 54.5 Ohm (Poti auf 0 Ohm) und 111.2 Ohm (Poti auf 500 Ohm). Damit fließen zwischen 45 mA bis 22 mA durch die Widerstände ... und weil der Regler die Eingangsspannung proportional belastet, fließt der gleiche Strom auch durch die Kathode der Pentode, fast gleichgültig, wie "gut" oder "schlecht" sie noch ist.
Eine neue ECL86 sollte problemlos in der Lage sein, 38 mA Strom durch die Kathode zu liefern - laut Datenblatt sind 55 mA das absolute Maximum. 28 mA sind ein guter Kompromiß und liegen ganz gut im Arbeitspunkt (wenn man Kennlinien lesen kann ...). Kriegt sie das nicht mehr gebacken, ist ihre "Emissionsfähigkeit" soweit gesunken, daß sie nur noch für die graue Tonne oder die Vitrine taugt.

Gehen wir davon aus, daß das so in Ordnung ist.

Im Rahmen meiner Basteleien und häufiger Wechsel der AÜs hat sich diese "Auto Bias Schaltung" ganz hervorragend bewährt. Ich habe schon -zigmal hin und her gewechselt, aber der Ruhestrom hat sich dabei nicht geändert. Mit der Version 1.1E habe ich den 1.00 Ohm Widerstand R11 eingeführt. Wenn man ein Multimeter in der Einstellung 100mV DC über den Widerstand R11 klemmt, kann man den Ruhestrom direkt ablesen: 28mA Ikp bewirken einen Spannungsabfall von 28mV über R11.

Tip: Wenn man den Verstärker aufbaut, kann man am Röhrensockel an Pin 7 von einem externen Netzteil +5V einspeisen und mit einem Multimeter die Spannung über R11 messen. Liest man da 28mV ab, fließen 28mA durch den Kathodenstrom-Regler. Damit ist die Justage auch schon abgeschlossen und es kann im "Realtest" nix mehr daneben gehen.



Der Prototyp - Anklicken für Vollbild

Ein paar allgemeine Anmerkungen seien mir an dieser Stelle erlaubt.

  • Zentralmasse: Verstärker baut man am besten zu einem dicken, zentralen Massepunkt auf. Insbesondere bei 'handgefädelten' Exemplaren gibt es nichts wichtigeres (nach ausreichender Spannungs- und Leistungsfestigkeit der Bauteile) als eine zentrale Masse. Das sorgt dafür, daß sich Brummstörungen nicht ausbreiten und daß die Schaltung nicht anfängt zu schwingen.

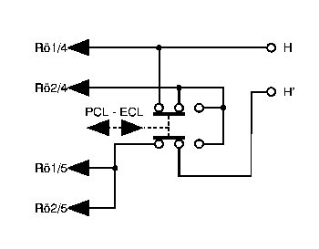
  • Umschaltung für Heizspannung PCL - ECLUniversale Heizung: Im Prototyp habe ich die Heizspannung sowohl für die Verwendung mit ECL86 (6.3V - 0.66 A) als auch für PCL86 (13 V - 0.3 A) ausgelegt. Im Augenblick verwende ich gerade zwei Siemens PCL86, die beide parallel an der 12.6 V Heizspannung hängen. Damit werden sie zwar etwas 'unterheizt', schockt aber nicht.
    PCL86 sind im Schnitt deutlich billiger wie ECL86, weil sie aus profanen Fernseher-Audio-Endstufen stammen, die ECLs aber in der Regel aus Radios und Verstärkern.

    Wenn ich zwei ECL86 einsetzen will, dann muß ich die Verbindung auftrennen, die die beiden Pins 4 miteinander verbindet. Die Pins 5 beider Röhren hängen sowieso zusammen. Im PCL-Fall speise ich 12.6 V an den Punkten H und H' auf die Pins 4-4 und 5-5, im ECL-Fall sind Pins 5-5 verbunden und ich speise bei Pin 4 der einen und Pin 4 der anderen Röhre ein. Fertig ist der Lack. Sehr variabel. Braucht einer 'ne Zeichnung ?

    Na okay, will ich mal nicht so sein. Hier ist die aktuelle Super-Luxus-Version mit einem Schalter. Im eigenen Interesse sollte man keine ECLs einsetzen, wenn der Schalter auf 'PCL' steht ... andersherum überleben es die PCLs jedoch, wenn sie nur mit 12.6 Volt in Reihe beheizt werden.

    Bei Gleichstrom-Heizung oder wenn ein Draht von der AC-Heizung direkt auf Masse gelegt wird, bitte darauf achten, daß das derjenige ist, der bei der Röhre mit dem Pin 4 verbunden ist. Das sorgt für eine maximale Unempfindlichkeit der Röhren gegen Brumm-Einstreuungen. Das ist durch den physikalischen Aufbau der Röhre so vorgesehen und wird irgendwo auch im Datenblatt erwähnt. (Ja: auf Seite 3 unten am Ende unter "Hum" !)

  • Eine Einschaltverzögerung der Anodenspannung ist bei Röhrengeräten mit Halbleiter-Dioden im Gleichrichter zu empfehlen. Es verlängert die Lebensdauer der Röhren. Normalerweise sollte die Hochspannung ca. 10 Sekunden nach der Heizspannung hochkommen. Bei Geräten mit Röhrendioden sorgt deren Anlaufphase automatisch dafür - bei Halbleiterdioden steht die Hochspannung nach dem Aufladen der Sieb-Elkos binnen Sekundenbruchteilen zur Verfügung. Über den effektiven Nutzen sind wahre Glaubenskriege im Gange. Wer es mag soll es gern einbauen. Das gilt sinngemäß auch für ein verzögertes Hochlaufen des Heizstroms - zumindest mittels einer Strombegrenzung. Der Kalt-Einschaltstrom der Heizfäden ist groß - Kaltwiderstand des Heizfadens ist ca. 1.2 Ohm - und die Dinger leuchten für etwa eine halbe Sekunde hellgelb auf. Da kann man also auch was bauen. Wenn man mag.

  • Ausgangsübertrager (AÜ) sind inzwischen rare Bauteile. Wenn man was findet, was für EL95 oder EL80 oder EL84 "Eintaktschaltung" geeignet ist, wird es auch für die ECL86 gehen. Bei meinen AÜ's beträgt der ohmsche Widerstand der Primärwicklung etwa 500 Ohm, an der Sekundärwicklung etwa 0.5 Ohm (schwer zu messen ...). Geht man davon aus, daß die Ausgangs-Impedanz 4-5 Ohm bei 1 KHz beträgt, so entspricht das bei dem Übersetzungsverhältnis von 100:1 etwa 5 KOhm Impedanz der Primärwicklung. Das ist in etwa, was man für eine Eintakt-EL84 verwenden würde. Ein billiges Rechenexempel am lebenden Objekt vorgenommen ergibt etwa 28 mA Strom durch den AÜ, es fallen dabei ca. 14 Volt ab. 14 geteilt durch 0.028 ergibt 500 - das ist der DC-Widerstand. Gehen wir von 232 V am AÜ Eingang aus, 218 an der Röhren-Anode und etwa 6.5 Volt an der Kathode, so fallen über die Röhre 211.5 Volt ab. Bei einem Strom von 28 mA (die Gitterströme vergessen wir mal) ergibt sich ein Innenwiderstand von 7.5 KOhm. Und damit liegt die Röhre halbwegs im Arbeitskennfeld.
    Mit diesen Werten sollte ein Trafo-Spezialist wie z.B. Firma Reinhöfer was anfangen können. Ganz sicher haben sie was für die EL84 Eintakt auf Lager. Die AÜ's von Reinhöfer sehen Klasse aus, sind super gefertigt ... und kosten echtes Geld. Sowas gibt's eben nicht für Zwo-Fuffzig im Baumarkt. Damit müssen wir uns halt abfinden.

    Bei meinen Versuchen bin ich durch einen Ankauf von zwei AÜs über Ebay auf zwei Exemplare gestoßen, die Abgriffe bei Zp von 1K6, 3K3 und 7K haben. Im Allgemeinen wird ein Verhältnis von 33% der Gesamt-Impedanz für eine Ultra-Linear Auslegung angenommen. Das wären bei Zp von 7K etwa 2K35. Aber ich habe mal probiert, was passiert, wenn man das Gitter 2 bei 1K6 einkoppelt. Resultat: die Baßwidergabe ist straffer geworden, der Verstärker clippt etwas sanfter und klingt insgesamt ausgewogener. Natürlich haben diese AÜs schon von vornherein eine etwas andere Charakteristik, aber ich habe in beiden Schaltungsvarianten ausgiebige Hörtests gemacht - und mir gefällt diese "echte" Pentodenschaltung klanglich sehr viel besser. Vielleicht ist es daher keine dumme Idee, bei der Suche nach AÜs diesen Fall auch mal im Hinterkopf zu behalten. AÜs für echte EL84 werden häufiger einen G2-Anschluß für Ultralinear-Betrieb haben. Es lohnt sich in jedem Fall mal etwas darauf herum zu experimentieren.

    Ich habe eine kleine Berechnungsseite eingebaut, mit der man einen unbekannten Übertrager mal "ganz einfach" mit einigen einfachen Messungen austesten kann. Die notwendigen Berechnungen macht dann ein kleines Java-Script.

  • Nochwas zum Netzteil: Die Transistor-Fredies bauen in ihre Orgeln Kondensatorbatterien im Farad-Bereich ein und das soll's dann bringen. Quatschkram und Geldvernichtung. Auf Anfrage werden sie euch eine Menge 'guter Gründe' dafür nennen und euch mit Fach-Chinesisch zulabern. Bleiben wir doch mal realistisch und gehen wir davon aus, daß eine Schaltung einen bestimmten Strom zieht, wodurch die Speisespannung infolge der ohmschen Widerstände in den Leitungen und Wicklungen sinkt, bis die Kapazität der Sieb-Elkos nicht mehr ausreicht. Das ist physikalisches Gesetz und dagegen können wir nichts machen. Faustformel ist in der Regel 1000 µF pro 1 Ampere Strom. Die oben beschriebene Schaltung zieht als Stereo-Version zwischen 60 - 75 mA je nach eingestelltem Kathodenstrom aus dem Netzteil. Also würden 100 µF da satt reichen. Theoretisch. Geben wir noch ein bißchen Reserve dazu - und es brummt trotzdem.
    Warum ? Weil die Brummstörung bei 230 V DC einen viel höheren Spitze-Spitze Wert hat, als z.B. bei 5 Volt.
    Prozentual wird sie vielleicht in der gleichen Größenordnung liegen, nur 10 Vpp erzeugen in den aktiven Bauteilen naturgemäß mehr 'Turbulenzen' als 0.1 Vpp.

    Es empfiehlt sich daher, in den Ausgang des Netzteils eine fette Drossel zu schalten und nochmal 22 - 100 µF dahinter nachzulegen Das siebt wie verrückt. 5 - 10 Henry sind ein guter Anfang. Wenn das Ding 0.5 Ampere abkann - um so besser.
    Allerdings wird der Typ aus dem Elektronikshop nebenan ziemlich blöd gucken, wenn man nach so einem Ding fragt. Für die Jungs heutzutage sind Netz-Entstördrosseln mit 1A und 10mH schon Ringkern-Wackermänner, die sie nicht mehr aufs Lager legen. Was tun ?

    Mal in den Keller gehen und gucken, ob man irgendwo noch einen alten 30V / 1A Trafo liegen hat. Die sind für "Stabilisierte Netzteile 0 - 30 V" immer sehr beliebt. Die Sekundärseite hat eine Induktivität im Henry Bereich. Die Primärwicklung brauchen wir nicht. Also kann der Trafo auch ruhig primärseitig durch sein - was früher häufiger passierte, als wir alle noch jünger und dümmer waren. Die Dinger brennen selten auf der Ausgangsseite ab - dickerer Draht, mehr Reserven. Als Trafos sind die Dinger dann tot - als Drosseln tun sie es unter Umständen noch.
    Ausprobieren - die Spannung sollte weniger als 5 Volt abfallen. Aber das bringt die Brummspannung deutlich runter.
    Die Idee ist vielleicht nicht so ganz brilliant, weil es zwischen 'Transformatoren' und 'Drosseln' doch so den einen oder anderen Unterschied gibt, aber als Notbehelf reicht es vielleicht ... bis einem ein besser passendes Teil unter die Finger kommt.

  • Netztrafos für ganz Verzweifelte: Angenommen, einer will unbedingt einen kleinen Röhrenverstärker bauen und findet keinen passenden Netztrafo. Nicht für Geld und gute Worte. Tja - außer für sehr viel Geld vielleicht ... dann können wir uns was eigenes stricken.

    Achtung: diese Lösung ist echt nur ein Ausweg aus Not- und Nachkriegszeiten.
    Für Leute, die wunderschöne Designer-Gehäuse entwerfen und sich dann erst um die passenden Teile bemühen, sicher nicht gangbar.

    Was brauchen wir ? Eine Hochspannung von ungefähr 170 Volt und - sagen wir: 150 mA, sowie eine Heizspannung von 6 Volt und großzügigen 2 Ampere, alternativ 12 V und etwa 1 Ampere. Letzteres ist schnell besorgt. Die Bastelläden haben Trafos mit 12 oder 15VA und 12 V Klemmenspannung zuhauf. Soviele, daß sie die verkaufen müssen. Das Thema ist also schnell abgehandelt.

    Für die Hochspannung müssen wir mal ein bißchen rechnen.

    170 Volt mal 0.15 Ampere sind 25.5 VA ('Watt' für die Traditionalisten, die sich nicht an IEC Einheiten gewöhnen wollen). Brechen wir das mal auf 230 Volt runter - also 25.5 VA / 230 Volt = 0.111 Ampere. Und rechnen wir mal 230 Volt / 170 Volt = 1.35 : 1.00. Das bedeutet, ein Trafo, der aus 230 Volt auf 170 Volt runtertransformiert hat eine Übersetzung von 1.35 : 1 und nimmt etwa 0.11 Ampere Strom auf .... dividiert durch den (sehr optimistischen) Wirkungsfaktor von 0.9 bei 90 % Wirkungsgrad = 0.122 Ampere.

    So: genau so einen Trafo haben wir nicht. Wir schalten daher einfach zwei Trafos mit den Niederspannungsseiten zusammen. Der 'erste' Trafo hängt mit seiner Primärwicklung am Stromnetz, die Primärwicklung des 'zweiten' ist unser Hochspannungquelle.
    Wir haben zum Beispiel einen, der 230 V Eingang und 30 V Ausgang hat, bei vielleicht 2 Ampere (entspricht 60 VA Leistung). 30 Volt Leerlaufspannung mal dem Übersetzungsverhältnis von 1.35 ergibt 40.5 Volt. Wenn wir einen Trafo mit 40 Volt Leerlaufspannung und 1 Ampere Leistung auf die 30 Volt Ausgang schalten, kriegen wir am Ende ungefähr 170 Volt wieder raus. Alles geht, was im Verhältnis 1 : 1.35 ausgeht. 12 Volt zu 16 Volt, 16 Volt zu 21.6 Volt, 24 Volt zu 32.4 Volt - oder diesem Verhältnis möglichst nahe kommt. Ist das Verhältnis kleiner 1.35 steigt die Ausgangsspannung, ist es größer als 1.35 sinkt die Ausgangsspannung. Ganz einfach. Oder ?

    Bitte dran denken, daß der 'treibende' Trafo in seiner Wattleistung wenigstens gleich oder größer sein muß, als der 'angetriebene' zweite Trafo. Sonst schmoren irgendwann die Wicklungen des ersten Trafos durch, wenn man ihn bis an die Grenze belastet.
    Manchmal gibt es in den 'Sonderangeboten' auch sogenannte 'Basteltrafos', die Abgriffe bei 12,15,20,24,30 und 40 Volt haben. Bei z.B. 30 oder 40 VA Leistung. Davon sind zwei Stück schnell und billig besorgt.

    Wir können das aber auch ganz spitz ausrechnen, indem wir uns auf die oben ermittelten 25.5 VA beschränken. Ein 26 VA Trafo mit 40 Volt Ausgang liefert (richtig herum betrieben) 26 VA / 40 Volt = 0.65 Ampere Strom. Ein 26 VA Trafo mit 30 Volt Ausgang liefert 0.87 Ampere. Die Übersetzungsverhältnisse sind 7.67 (30 Volt) bzw. 5.75 (40 Volt) - die zueinander wieder 1.33 ergeben, dicht genug an den 1.35, die wir brauchen. Wir verlieren zwar das eine oder andere Watt, weil wir zwei Kerne magnetisieren müssen und weil zwei Spulensysteme Wandlungsverluste erzeugen - aber wir kriegen die 170 Volt irgenwie hin.
    Nur müssen wir dafür auch genug Platz haben. Trafos mit 26 oder 30 VA sind schon ganz nette Würfel. Und dazu kommt dann noch ein separater Heiztrafo mit 12 oder 15 VA.

    Im Zweifelsfall geht lieber zum Onkel Reinhöfer - der macht euch für ordentliches Geld auch was ordentlich passendes.





Epilog: Wie klingt das Ding denn nun - und wieso heißt es "Keksdose" ?

Über Geschmack kann man bekanntlich nicht streiten. Für mich klingt das Teil ausreichend transparent und dynamisch. Nicht wirklich Techno-geeignet, effektiv sinkt der Wirkungsgrad unterhalb von 80 Hz drastisch ab - Folge des relativ kleinen AÜ.
Wattseitig möchte ich mal meinen, daß so 3 Watt Sinus / 4 Watt Musik dabei rumkommen. Die Arcus Sinus ist eine geschlossene 4 Ohm 2-Wegebox mit 40 / 60 Watt Belastbarkeit, einem 150er Tiefmittelton und einem 25mm Kalotten Mittel-Hochtöner. Damit ist das Thema Techno und sonstige Ramba-Zamba Musik sowieso schon mal erledigt. Ich habe sie mal provisorisch eingepegelt und bin auf 87 dB / Wm gekommen, was für diese Klasse ein guter Mittelwert ist. Mit der "Keksdose" können die beiden Boxen ganz schön laut werden. Aber das will ich gar nicht. Im Augenblick läuft ein bunt gemischtes MP3 Programm mit vielen alten Hits aus meinen wilden Jahren (70er und 80er), Pink Floyd, Mike Oldfield, Dire Straits, bißchen was modernes von heute, Rammstein zum Beispiel oder Chris Rea ("Stony Road" habe ich vorhin gehört) ... bißchen Rave.
Naja. Verzeiht mir, ich bin erst 42.

Frequenzgang, Klirrfaktor, Übertragungsbandbreite ... kann ich nur sagen: vorhanden. Wenn mich das interessieren würde, dann hätte ich euch die Kurven hier schon hingepinnt - allein um zu zeigen, was ich für ein Teufelskerl bin, daß ich sowas hinkriege. Mache ich aber nicht. Interessiert mich nicht und ich bin auch nicht so ein Meßwerte-Fetischist. Hauptsache ich hab' das Ding selber gebaut und es klingt nicht gar zu schrecklich.
Tut es nicht. Schöne trockene Bässe, relativ prägnante Mitten und in den Höhen ganz knackig. Bei klassischen Sachen lassen sich Flöten und Violinen gut unterscheiden, Orgelkonzerten gehen schon sehr bald die extremen Tiefen verloren. Ein gut angespielter Bösendorfer "Imperial" in einem Klavierkonzert bringt den Verstärker zum Rumpeln - und klingt im Großen und Ganzen nicht viel anders wie ein Steinway Konzertflügel
(Hahaha - guter Witz, was ? Als ob ich das unterscheiden könnte ...).
So bis zur mittleren Lautstärke ist der Sound ganz gut. Gegen Ende des Leistungsspektrums beendet der kleine AÜ-Querschnitt und der fehlende Strom zu den Lautsprechern das Vergnügen mit heftigen Verzerrungen. Da ist der AÜ voll in der Sättigung und die Impulswechsel wollen nicht mehr so richtig gelingen. Schicksal.


Ach ja. Keksdose.
Das muß ich noch erklären. Die Ursprungsidee war, den Verstärker in eine alte Keksdose aus Blech einzubauen. In der Auswahl standen eine runde (Aldi "Danish Butter Cookies") oder eine rechteckige von Bahlsen aus den Fünfzigern. Die würden beide oben auf die eine Box passen. Im Nachhinein betrachtet sind beide zu klein. Und im Fall der antiken Bahlsen-Dose vielleicht auch ein bißchen zu schade, sie für sowas zu zerschnitzeln. Ich werde mir gelegentlich was eigenes bauen.
Der Projektname "Keksdose" ist an dem kleinen Brüller aber hängengeblieben.
Nehmt es einfach hin.


Epilepsielog: Was steht als nächstes auf dem Programm ?

Tja. Ich habe da noch ein Quartett RCA 6Y6-GT "Beam Tetroden" und ein Pärchen AÜ's für zwei EL34 Gegentakt (ohne Ultra-Linear). Ich habe auf Jogis Röhrenseite eine Schaltung gefunden, die mit den Röhren einen "Kathodengekoppelten Gegentaktverstärker" realisiert. Für die antike Stahlsockel-EF14 Pentode im Eingang habe ich russische 6AC7-Derivate mit oktal gefädelten Füßen und für die Rimlock-EF41 im Mittelteil würde ich je eine novale EF86 oder EF89 einsetzen wollen.
Oder die beiden durch eine PFL200 Doppel-Pentode ersetzen. Irgendsowas wahnsinnig kreatives, auf das nur ein verrücktes Genie wie ich kommen kann ...

Mal gucken, ob und wann ich die Zeit finde, mich damit zu befassen.


Nachlese. Reaktionen aus der Community und Upgrades

Das Beste, was einem Autor passieren kann, der seinen Schrott im Internet veröffentlicht, sind die 'Leserbriefe', die sich fallweise einstellen. Hier ist einer davon.

Und natürlich bin ich auch dauernd an dem kleinen Ding am herumfrickeln.
Probeweise habe ich die Keksdose mal auf Gleichstrom-Heizung umgebaut.
Passend dazu eine Schaltung, die für das verzögerte Einschalten der Anodenspannung sorgt.
Die Schaltung dazu findet sich Hier

S.o.C. - Son of Cookiebox
Das Kind der Keksdose. Ähnliches Schema - gleicher Blödsinn. Mehr davon Hier !




© 2002 by Peter H. Wendt
Letztes Update: 02. Oktober 2005

Zugriffe seit dem 07.12.2002: